957 975 970 -
682 349 997
QUIENES SOMOS
CONTACTO
Iniciar sesión
Carrito
El carrito está vacío
0 artículos
0,00 €
Transporte
Total
0,00 €
0,00 €
Busca tu repuesto por:
COMPONENTE
Cambio Poleas Correas
Caja Cambio
Variadores
Correas de variador
C. Cuentakilometros
Sistema Inversor
Carrocería
Paragolpes
Aletas
Capo
Porton
Retrovisor
Puertas
Cristales
Otros
Accesorios
Motor y filtros
Electricidad Motor
Filtración
Soportes de motor
Radiador y climatización
Correas Vent. / Alt.
Lombardini DCI
Lombardini FOCS
Kubota
Yanmar
Mitsubishi
Perkins
Tren delantero
Tren trasero
Frenos
Faros,pilotos y electricidad
Chasis
Despieces
Escape
Bastidores
MODELO DE VEHÍCULO
MARCAS VEHÍCULOS
AIXAM
325l, A540, 400IT ...
300 y 400
300 / 400 EVO
400 4
AIXAM 500.4
500.4 PICK-UP
500.4 MINIVAN
A721
A741
CROSSLINE 2005
SCOUTY 2005
CITY 2008
CITY SPORT 2008
CROSSLINE 2008
SCOUTY 2008
ROADLINE
CITY 2010
CITY S 2010
COUPE 2010
CROSSLINE 2010
CROSSOVER
GTO
D-TRUCK 2013
CITY / GTO 2013
COUPE 2013
CROSSLINE 2013
CROSSOVER 2013
CITY 2016 / GTO
COUPE 2016
CROSSLINE 2016
CROSSOVER 2016
D TRUCK 2018
CITY 2020
CITY SPORT 2020
CITY PREMIUM 2020
GTO 2020
COUPE 2020
COUPE GTI 2020
CROSSLINE EVO 2020
CROSSOVER 2020
CITY PACK 2023
CITY SPORT 2023
CITY GTO 2023
COUPÉ SPORT 2023
CROSSOVER 2023
CROSSLINE PACK 2023
MEGA
CAMION MEGA 2004
CAMION MEGA 2007
MINAUTO
MINAUTO 2005
MINAUTO 2010
MINAUTO 2015 / CROSS 2015
MINAUTO 2016
MINAUTO 2020
MINAUTO GT 2020
MINAUTO CROSS 2020
MINAUTO 2023
CHATENET
STELLA
MEDIA
BAROODER
SPEEDINO
CH26
CH32
CH40
CH46
BELLIER
VX550
DIVANE
OPALE
CAMION
DOCKER
JADE
B8
MICROCAR
300-SPID
NEWSTREET
LYRA
CAMION SHERPA
VIRGO
MC1
MC2
MC2 HIGHLAND
MC2 CAMPUS
M.GO1
M.GO2
M8
F8C
M. CROSS
M.GO3 (P96)
M.GO4/5 (P98)
M.GO6
LIGIER
OPTIMA
LIGIER 162
AMBRA
NOVA
X-PRO
X-TOO 2004
X-TOO MAX 2007
X-TOO R
IXO
OPTIMAX Y CARGO PRIMO
X-TOO S / RS
LIGIER DUE
JS50
JS RC
FLEX
JS50 F4 / JS60
JS50 F4 / JS66 SPORT
MYLI
GRECAV
EKE
SW / PICK-UP
SONIQUE
DUE
DUE FIRST
DUÉ COUPE
DUÉ P85
DUÉ3/5
DUÉ6
JDM
ORANE
TITANE
ALBIZIA
ABACA
ALOES
ROXSY
XHEOS
CASALINI
YDEA
SULKY PICKUP
CAMION / KERRY
SULKY CAR
M10
M12 / PICK UP
M14
M20
PIAGGIO
M500
PORTER
ITALCAR
T2
T3
TASSO
DOMINO
HOLA
BINGO
TOWN LIFE
VEXEL QUOVIS
ERAD
VICTORIA GIOTTI
GINKO
MARDEN
MARDEN 1990
MARDEN ALISÉE 1992
RIVOLTA ISIGO
OCASIÓN
COMPONENTE
Cambio Poleas Correas
Caja Cambio
Variadores
Correas de variador
C. Cuentakilometros
Sistema Inversor
Carrocería
Paragolpes
Aletas
Capo
Porton
Retrovisor
Puertas
Cristales
Otros
Accesorios
Motor y filtros
Electricidad Motor
Filtración
Soportes de motor
Radiador y climatización
Correas Vent. / Alt.
Lombardini DCI
Lombardini FOCS
Kubota
Yanmar
Mitsubishi
Perkins
Tren delantero
Tren trasero
Frenos
Faros,pilotos y electricidad
Chasis
Despieces
Escape
Bastidores
MODELO DE VEHÍCULO
MARCAS VEHÍCULOS
AIXAM
325l, A540, 400IT ...
300 y 400
300 / 400 EVO
400 4
AIXAM 500.4
500.4 PICK-UP
500.4 MINIVAN
A721
A741
CROSSLINE 2005
SCOUTY 2005
CITY 2008
CITY SPORT 2008
CROSSLINE 2008
SCOUTY 2008
ROADLINE
CITY 2010
CITY S 2010
COUPE 2010
CROSSLINE 2010
CROSSOVER
GTO
D-TRUCK 2013
CITY / GTO 2013
COUPE 2013
CROSSLINE 2013
CROSSOVER 2013
CITY 2016 / GTO
COUPE 2016
CROSSLINE 2016
CROSSOVER 2016
D TRUCK 2018
CITY 2020
CITY SPORT 2020
CITY PREMIUM 2020
GTO 2020
COUPE 2020
COUPE GTI 2020
CROSSLINE EVO 2020
CROSSOVER 2020
CITY PACK 2023
CITY SPORT 2023
CITY GTO 2023
COUPÉ SPORT 2023
CROSSOVER 2023
CROSSLINE PACK 2023
MEGA
CAMION MEGA 2004
CAMION MEGA 2007
MINAUTO
MINAUTO 2005
MINAUTO 2010
MINAUTO 2015 / CROSS 2015
MINAUTO 2016
MINAUTO 2020
MINAUTO GT 2020
MINAUTO CROSS 2020
MINAUTO 2023
CHATENET
STELLA
MEDIA
BAROODER
SPEEDINO
CH26
CH32
CH40
CH46
BELLIER
VX550
DIVANE
OPALE
CAMION
DOCKER
JADE
B8
MICROCAR
300-SPID
NEWSTREET
LYRA
CAMION SHERPA
VIRGO
MC1
MC2
MC2 HIGHLAND
MC2 CAMPUS
M.GO1
M.GO2
M8
F8C
M. CROSS
M.GO3 (P96)
M.GO4/5 (P98)
M.GO6
LIGIER
OPTIMA
LIGIER 162
AMBRA
NOVA
X-PRO
X-TOO 2004
X-TOO MAX 2007
X-TOO R
IXO
OPTIMAX Y CARGO PRIMO
X-TOO S / RS
LIGIER DUE
JS50
JS RC
FLEX
JS50 F4 / JS60
JS50 F4 / JS66 SPORT
MYLI
GRECAV
EKE
SW / PICK-UP
SONIQUE
DUE
DUE FIRST
DUÉ COUPE
DUÉ P85
DUÉ3/5
DUÉ6
JDM
ORANE
TITANE
ALBIZIA
ABACA
ALOES
ROXSY
XHEOS
CASALINI
YDEA
SULKY PICKUP
CAMION / KERRY
SULKY CAR
M10
M12 / PICK UP
M14
M20
PIAGGIO
M500
PORTER
ITALCAR
T2
T3
TASSO
DOMINO
HOLA
BINGO
TOWN LIFE
VEXEL QUOVIS
ERAD
VICTORIA GIOTTI
GINKO
MARDEN
MARDEN 1990
MARDEN ALISÉE 1992
RIVOLTA ISIGO
OCASIÓN
Inicio
MARCAS VEHÍCULOS
MICROCAR
MC1
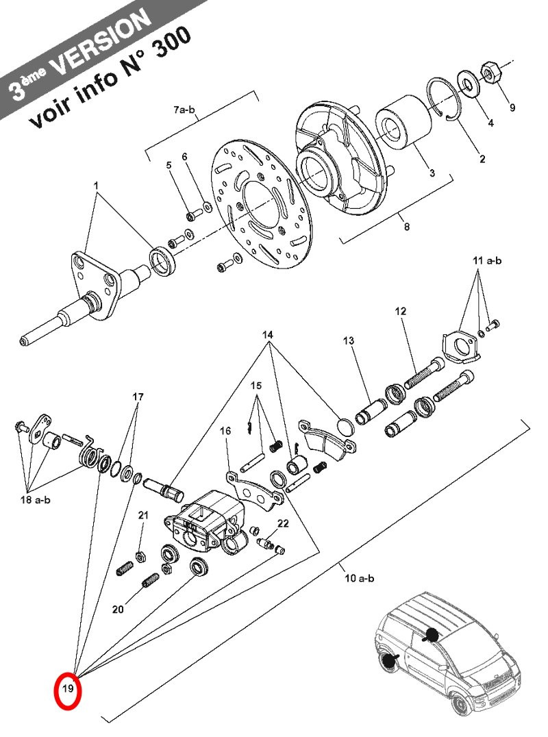
CONJUNTO DE REPARACION DE PINZAS TRASERAS MC
CONJUNTO DE REPARACION DE PINZAS TRASERAS MC
Referencia
1007476
Categoría
MC1
Microcar MC
MÁS INFORMACIÓN
Conjunto para una sóla pinza.